厂家免费提供接线图解,工作原理,型号参数����� �������Ƴ������������ �������Ƴ������������ �������Ƴ������������ �������Ƴ�������等相关知识,欢迎访问
在线留言 | 联系我们

工艺先进,检测手段完善,售后服务优质且及时

「配图」直流无刷电机接线图解����� �������Ƴ������������ �������Ƴ������������ �������Ƴ������������ �������Ƴ�������

点击次数:   ����� �������Ƴ������������ �������Ƴ����������� �������Ƴ������������ �������Ƴ������� 更新时间:19/05����� �������Ƴ������������ �������Ƴ������������ �������Ƴ������������ �������Ƴ������/22 15:36:05 &����� �������Ƴ������������ �������Ƴ����������� �������Ƴ������������ �������Ƴ�������nbsp;   ����� �������Ƴ������������ �������Ƴ������������ �������Ƴ������������ �������Ƴ�������;来源:www.hkzlwsdj.com关闭分  ����� �������Ƴ������������ �������Ƴ������������ �������Ƴ������������ �������Ƴ�������  享:
����� �������Ƴ����� �������Ƴ����������� �������Ƴ������������ �������Ƴ������������ �������Ƴ�������������
  在生活中经常会碰到各种规格的直流无刷����� �������Ƴ������������ �������Ƴ������������ �������Ƴ������������ �������Ƴ�������电机,该电机使用起来很安全,几乎没有发生����� �������Ƴ����������� �������Ƴ������������ �������Ƴ������������ �������Ƴ�������危险,所以很多机器需要电机的时候,会安装上该电机����� �������Ƴ������������ �������Ƴ������������ �������Ƴ������������ �������Ƴ�������,这样可以提高它的使用效率。怎么接线才是正确����� �������Ƴ������������ �������Ƴ������������ �������Ƴ������������ �������Ƴ�������的?
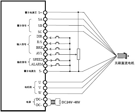
  如图:直流无刷电机接����� �������Ƴ������������ �������Ƴ������������ �������Ƴ������������ �������Ƴ�������线图解
直流无刷电机接线图解
  1、直流无刷电机的黑色线是负极����� �������Ƴ������������ �������Ƴ������������ �������Ƴ������������ �������Ƴ�������,红色线是正极,黄色线是转速信号输����� �������Ƴ������������ �������Ƴ������������ �������Ƴ������������ �������Ƴ�������出。它的三根线相当于交流电机的U、V、W三����� �������Ƴ������������ �������Ƴ������������ �������Ƴ������������ �������Ƴ�������相线,分别与驱动器的三相线相连。����� �������Ƴ������������ �������Ƴ������������ �������Ƴ����������� �������Ƴ�������
  2、若连接后电机电流很����� �������Ƴ������������ �������Ƴ������������ �������Ƴ������������ �������Ƴ������������ �������Ƴ����������� �������Ƴ������������ �������Ƴ������������ �������Ƴ������������ �������Ƴ��������大、振动、不正常转动,依次调换三根线的接线顺序����� �������Ƴ������������ �������Ƴ����������� �������Ƴ������������ �������Ƴ�������,直到电机正常运转为止。调����� �������Ƴ������������ �������Ƴ����������� �������Ƴ������������ �������Ƴ�������换的状态中,有一个使电机顺时针转动,另一个使����� �������Ƴ������������ �������Ƴ������������ �������Ƴ������������ �������Ƴ�������电机逆时针转动,其它状态电机不能正常运转。
  3、直流无刷电机的线圈引线有3根,霍耳引线有5根,这8����� �������Ƴ������������ �������Ƴ������������ �������Ƴ������������ �������Ƴ�������根引线必须和控制器相应引线对应。60°和����� �������Ƴ������������ �������Ƴ������������ �������Ƴ������������ �������Ƴ�������120°相角的无刷电机,需要由与之相对应的����� �������Ƴ����������� �������Ƴ������������ �������Ƴ����������� �������Ƴ������60°和120°相角的无刷����� �������Ƴ������������ �������Ƴ������������ �������Ƴ������������ �������Ƴ�������电机控制器来驱动,两种相角的控制器不能直����� �������Ƴ������������ �������Ƴ������������ �������Ƴ������������ �������Ƴ�������接互换。60°相角的无刷电机与����� �������Ƴ������������ �������Ƴ������������ �������Ƴ������������ �������Ƴ������60°相角控制器相连的8根线的正确接线有两����� �������Ƴ����������� �������Ƴ������������ �������Ƴ����������� �������Ƴ�������种,����� �������Ƴ�������一����� �������Ƴ������������ �������Ƴ����������� �������Ƴ������������ �������Ƴ�������种正转,一种反转。
  4、120°相角的电机,通过调整线圈引线的����� �������Ƴ������������ �������Ƴ������������ �������Ƴ������������ �������Ƴ�������相序和霍耳引线的相序,电机����� �������Ƴ������������ �������Ƴ������������ �������Ƴ������������ �������Ƴ�������与控制器相连的8根线的正确接线有6种,其中����� �������Ƴ������������ �������Ƴ������������ �������Ƴ������������ �������Ƴ�������3种接法电机正转,另外3种接法电机反转。如果无刷����� �������Ƴ������������ �������Ƴ������������ �������Ƴ������������ �������Ƴ�������电机反转,说明无刷控制器与无刷电机����� �������Ƴ������������ �������Ƴ����������� �������Ƴ������������ �������Ƴ�������的相角匹配,可以将无刷电机与无刷控制����� �������Ƴ������������ �������Ƴ������������ �������Ƴ����������� �������Ƴ�������器的霍耳引线的A、C交换接线����� �������Ƴ����������� �������Ƴ������������ �������Ƴ����������� �������Ƴ�������;同时将无刷电机与无刷控����� �������Ƴ������������ �������Ƴ������������ �������Ƴ������������ �������Ƴ�������制器的主相线A、B交换接线。
  直流无刷电机的接线方����� �������Ƴ������������ �������Ƴ������������ �������Ƴ����������� �������Ƴ�������法,上文中将以图文并茂的方式进行介绍,帮����� �������Ƴ������������ �������Ƴ������������ �������Ƴ����������� �������Ƴ������助新手用户解决接线的问题。����� �������Ƴ����������� �������Ƴ����������� �������Ƴ������������ �������Ƴ�������在正式使用之前,只����� ����� �������Ƴ������������ �������Ƴ������������ �������Ƴ����������� �������Ƴ��������������Ƴ���������� �������Ƴ������������ �������Ƴ������������ �������Ƴ������������ �������Ƴ��������有掌握了正确的接线方法����� �������Ƴ������������ �������Ƴ������������ �������Ƴ������������ �������Ƴ�������,才能让电机在运行过程中少出问����� �������Ƴ������������ �������Ƴ������������ �������Ƴ������������ �������Ƴ�������题,减少维修,方便保养。
  小编:Jane
上一条:直流无刷电机结构
下一条:没有了

康总:13906433268&n����� �������Ƴ������������ �������Ƴ������������ �������Ƴ������������ �������Ƴ�������bsp;  
电话:0533-4681136 &nbs����� �������Ƴ������������ �������Ƴ������������ �������Ƴ������������ �������Ƴ������p;传真:0533-46800����� �������Ƴ����������� �������Ƴ������������ �������Ƴ������������ �������Ƴ�������75
E-mail:sdhuikang@163.co����� �������Ƴ������������ �������Ƴ������������ �������Ƴ������������ �������Ƴ�������m